Найти в Дзене
Войти
1,0×
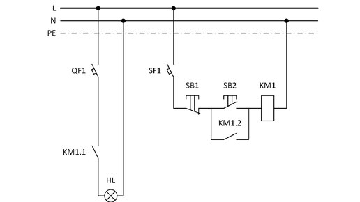
Однолинейная схема TimVisio. Обновление 1.0.2. Добавление отводов.
86 просмотров · 1 год назад
00:00
/
06:13
TimVisio
449 подписчиков
Подписаться
2090570624.921.1777211790270.10086