Найти в Дзене
Войти
1,0×
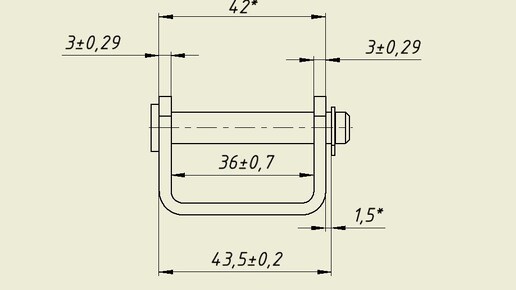
Размерные цепи. Анализ собираемости. Азы конструирования. Часть 16
138 просмотров · 1 год назад
00:00
/
03:13
Конструктивные особенности
99 подписчиков
Подписаться
3989393048.1800.1765614644857.25537