Найти в Дзене
Войти
1,0×
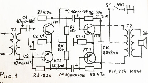
Самый МОЩНЫЙ и ПРОСТОЙ полноамплитудный Усилитель Мощности Звука
27,2 тыс просмотров · 1 год назад
00:00
/
08:25
Дмитрий Компанец
139,2 тыс подписчиков
Подписаться
Хотите видеть больше публикаций по теме «IT (информационные технологии)»?
Давайте
Гаджеты и электроника
5,73 млн интересуются
Следить за темой
3752607079.1697.1759626614928.78532