Найти в Дзене
Войти
1,0×
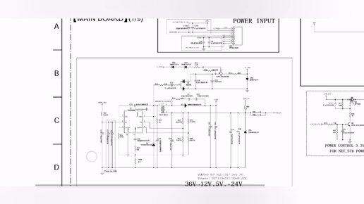
Home audio system mhc-v11 не включается.
818 просмотров · 2 года назад
00:00
/
05:51
up-master
820 подписчиков
Подписаться
553330357.997.1776490303538.30978