Найти в Дзене
Войти
1,0×
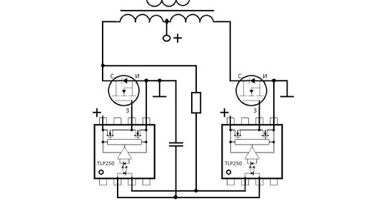
Преобразователь из оптопары TLP250, очень простая и мощная схема, с 12 на 220 вольт, 50 Гц.
6847 просмотров · 2 года назад
00:00
/
18:27
Виктор Сочи
7920 подписчиков
Подписаться
Хотите видеть больше публикаций по теме «Гаджеты и электроника»?
Давайте
Гаджеты и электроника
5,73 млн интересуются
Следить за темой
2646513550.1824.1761657326834.16838