Найти в Дзене
Войти
1,0×
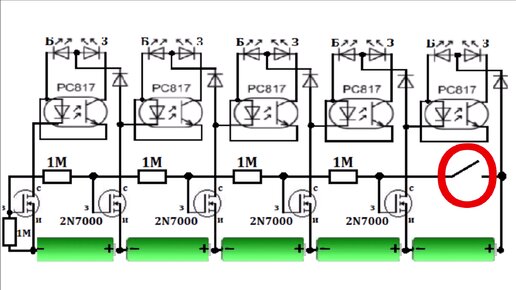
Включение и отключение балансировки по всем банкам с помощью одной кнопки.
1499 просмотров · 3 года назад
00:00
/
07:01
Виктор Сочи
8443 подписчиков
Подписаться
Хотите видеть больше публикаций по теме «Гаджеты и электроника»?
Давайте
Гаджеты и электроника
5,73 млн интересуются
Следить за темой
3777985357.799.1776859420515.86625