Найти в Дзене
Войти
1,0×
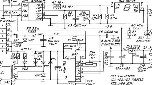
ИЗМЕРИТЕЛЬ ЕМКОСТИ Конденсатора УНИКАЛЬНАЯ СХЕМА для Ваших Самоделок
1136 просмотров · 2 года назад
00:00
/
08:26
Молодой изобретатель - Данила Дмитриевич
8503 подписчиков
Подписаться
2623975490.1964.1759341293088.80644