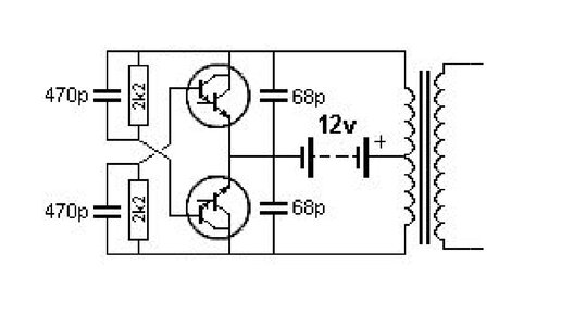
[НОВИНКА] Отличная идея Цепь Преобразующего устройства 12в в 220 В / Высоковольтное Преобразование тока