Найти в Дзене
Войти
1,0×
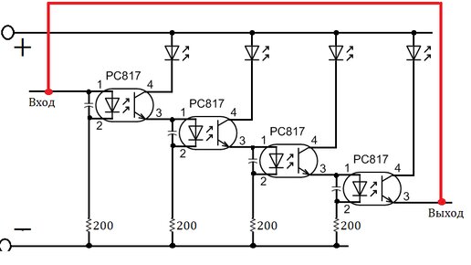
Бегущие огни на одних оптопарах
11,7 тыс просмотров · 3 года назад
00:00
/
11:25
Виктор Сочи
8387 подписчиков
Подписаться
Хотите видеть больше публикаций по теме «Гаджеты и электроника»?
Давайте
Гаджеты и электроника
5,73 млн интересуются
Следить за темой
4158704208.863.1775229205380.67431