Найти в Дзене
Войти
1,0×
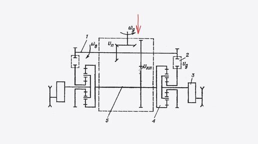
МПП02. Классификация 2 поточных МПП
108 просмотров · 3 года назад
00:00
/
10:25
Антон Т.
12 подписчиков
Подписаться
788354019.1789.1761751064895.10197