Найти в Дзене
Войти
1,0×
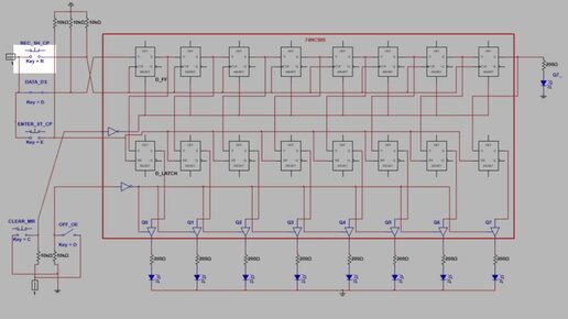
Визуализация работы сдвигового регистра 74HC595
92 просмотра · 3 года назад
00:00
/
02:01
МАКреатив
87 подписчиков
Подписаться
89860285.1786.1766741835026.81115