Найти в Дзене
Войти
1,0×
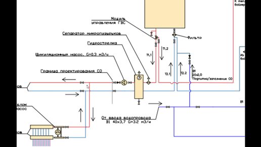
Любопытные ошибки в проекте.
356 просмотров · 4 года назад
00:00
/
16:31
Тепловода / Владимир Сухоруков
9363 подписчиков
Подписаться
1347242300.940.1776820466172.50081