Найти в Дзене
Войти
1,0×
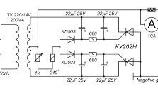
Амперус зарядное для АКБ .
674 просмотра · 4 года назад
00:00
/
04:53
N/Z
278 подписчиков
Подписаться
1231360329.936.1776858989473.75525