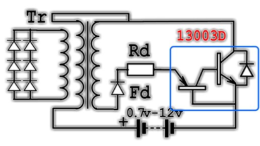
СХЕМА ДЖОУЛЬ ВОРА самая эффектная и ЭФФЕКТИВНАЯ. В этом видео я отвечаю на вопросы моих уважаемых зрителей.