Найти в Дзене
Войти
1,0×
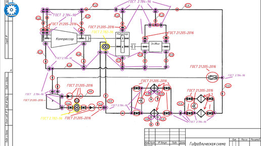
КАК ЧИТАТЬ ГИДРАВЛИЧЕСКИЕ СХЕМЫ // ОБОЗНАЧЕНИЯ НА СХЕМЕ // ОСНОВНЫЕ ГОСТЫ //
2545 просмотров · 4 года назад
00:00
/
08:52
Engineer Stepanov
106 подписчиков
Подписаться
3451311441.1921.1765933368466.13972