Найти в Дзене
Войти
1,0×
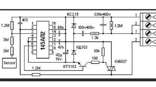
DIMMER по Схеме DimoniKA диммирующий НЕдимируемую Лампочку @КомпанецДА
9610 просмотров · 4 года назад
00:00
/
08:26
Дмитрий Компанец
141 тыс подписчиков
Подписаться
Хотите видеть больше публикаций по теме «Дизайн интерьера и ремонт»?
Давайте
Дизайн интерьера и ремонт
1,34 млн интересуются
Следить за темой
2429680946.900.1776053276062.25690