Найти в Дзене
Войти
1,0×
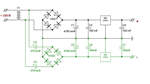
Двух полярный блок питания из трансформатора с одной вторичной обмоткой своими руками схема и плата.
1462 просмотра · 4 года назад
00:00
/
30:25
Электроника и микроконтроллеры для всех.
268 подписчиков
Подписаться
2296203084.1703.1760796013266.26411