Найти в Дзене
Войти
1,0×
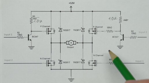
Эффект Миллера, почему выгорают полевые транзисторы в H-мосте (косяк монтировок Meade)
134 просмотра · 4 года назад
00:00
/
17:51
Иван Семеныч
8 подписчиков
Подписаться
2135335172.1654.1766055646071.41282