Найти в Дзене
Войти
1,0×
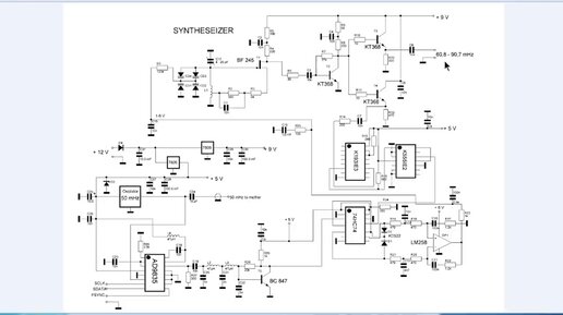
Параметры радиоприёмников.Синтезаторы.
1336 просмотров · 4 года назад
00:00
/
28:03
Канал ua9uki Виктор Гончаров
6058 подписчиков
Подписаться
Хотите видеть больше публикаций по теме «Гаджеты и электроника»?
Давайте
Гаджеты и электроника
5,73 млн интересуются
Следить за темой
97534251.1904.1759781715194.12511