Найти в Дзене
Войти
1,0×
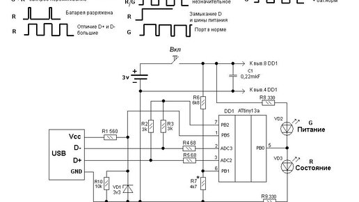
Пробник для проверки ("прозвонки") USB портов
442 просмотра · 4 года назад
00:00
/
06:20
qq
161 подписчиков
Подписаться
3179359805.1826.1766421026822.17798