Найти в Дзене
Войти
1,0×
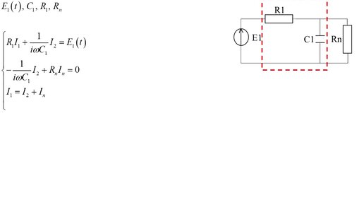
Правила Кирхгофа. Интегрирующая цепочка
854 просмотра · 4 года назад
00:00
/
08:57
Евдмал ФИЗМАТ без боли
193 подписчиков
Подписаться
393619533.1054.1776688381532.18461