Найти в Дзене
Войти
1,0×
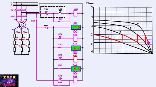
Плавный пуск электродвигателей
1520 просмотров · 8 лет назад
00:00
/
29:58
Александр Жук
5909 подписчиков
Подписаться
3287074240.896.1776847995671.19058