Найти в Дзене
Войти
1,0×
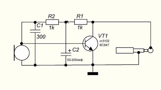
Микрофон петличка.Делаем сами
851 просмотр · 5 лет назад
00:00
/
09:59
Канал ua9uki Виктор Гончаров
6304 подписчиков
Подписаться
Хотите видеть больше публикаций по теме «Гаджеты и электроника»?
Давайте
Гаджеты и электроника
5,73 млн интересуются
Следить за темой
36184973.866.1776547174966.21522