Найти в Дзене
Войти
1,0×
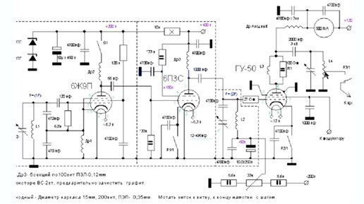
Радиопередатчик 3 Мгц
2747 просмотров · 4 года назад
00:00
/
19:07
Канал ua9uki Виктор Гончаров
6058 подписчиков
Подписаться
Хотите видеть больше публикаций по теме «Гаджеты и электроника»?
Давайте
Гаджеты и электроника
5,73 млн интересуются
Следить за темой
1725883881.1963.1759723959244.52654