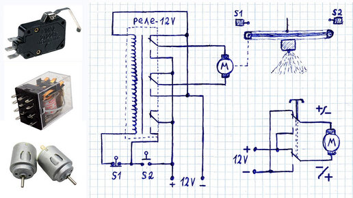
Схема управления постоянным электродвигателем по типу "туда - сюда", автоматический реверс для мотора на реле, как это работает