Найти в Дзене
Войти
1,0×
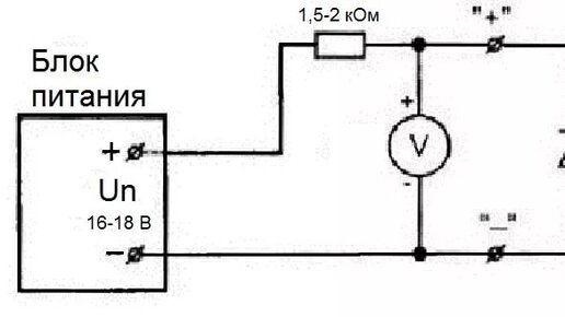
Как проверить стабилитрон и узнать его напряжение стабилизации
10,8 тыс просмотров · 5 лет назад
00:00
/
01:35
Константин Лизунов
767 подписчиков
Подписаться
Хотите видеть больше публикаций по теме «Гаджеты и электроника»?
Давайте
Гаджеты и электроника
5,73 млн интересуются
Следить за темой
3067853769.1879.1771098438789.77006