Найти в Дзене
Войти
1,0×
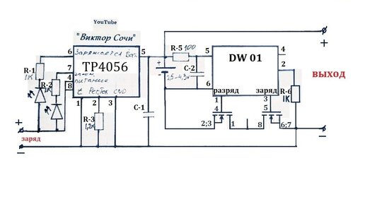
Плата заряда для Li Ion , принцип работы и различные доработки, теория
10,5 тыс просмотров · 5 лет назад
00:00
/
06:43
Виктор Сочи
8054 подписчиков
Подписаться
Хотите видеть больше публикаций по теме «Гаджеты и электроника»?
Давайте
Гаджеты и электроника
5,73 млн интересуются
Следить за темой
3287074240.1930.1765998226586.57908