Найти в Дзене
Войти
1,0×
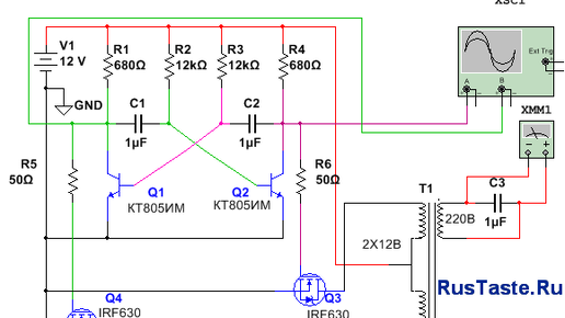
Преобразователь в машину с 12 в 220. 50 Герц, 75 Ватт
88 просмотров · 5 лет назад
00:00
/
06:08
РадиоЭлектроник
10 подписчиков
Подписаться
3451311441.1921.1766320892593.77723