Найти в Дзене
Войти
1,0×
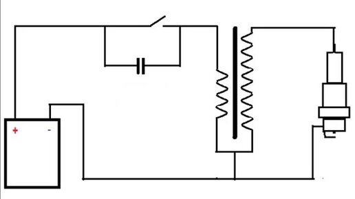
Что такое катушка зажигания?
1508 просмотров · 5 лет назад
00:00
/
04:52
Diagnost Electric
106 подписчиков
Подписаться
3746239397.1795.1759453584829.96746