Найти в Дзене
Радиолюбитель R3A-056

Радиолюбитель R3A-056

Разное про то, как увлекавшийся в 60-е годы радиотехникой пенсионер, решил вспомнить молодость и на старости лет стать "желторотым" радиолюбителем. И как у него это получается...
подборка · 2 материала
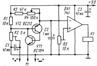
Интерес к радиолюбительскому делу у меня реально появился в 1968 году и продолжался до 1973, пока в армию не забрали. Потом уж не до этого было... А начиналось все с небольшого деревянного ящичка, который мне купил отец, когда я учился в 5-м классе. Это был набор "Юный слесарь" с инструментами. Через год в коробке кроме инструментов стали появляться и радиодетали, в основном с разборки того, что на мусорке удавалось найти... И пошло, поехало! Без малого 60 лет прошло, а на крышке коробки еще сохранились остатки надписи на клочке бумаги. Ящичек и содержимое брат сохранил, а номиналы сопротивлений подписаны еще моей детской рукой. К сожалению, пауза в занятии радиолюбительством оказалась длиною в 50 лет... А сейчас тяжелова-то догонять - голова уже не так соображает, хоть и есть где почитать, но самое главное, что объем такой большой, что трудно все мелочи в себя впихнуть. Соорудил тут рамочную магнитную антенну... для диапазона 2,5 МГц- 18МГц, вроде все по описании, книжки разные почитал умные, что и как, а ниже 7МГц не вижу никакого резонанса нигде, а шумит на 40 метрах так, что операторов практически не слышно. А на китайскую сооблазнился, так там вообще ничего - ни шума, ни операторов.
Увлечение радиотехникой у меня началось в конце 60-х, загорелся строить приемники и прочие поделки. А никакой свалки со старыми деталями у нас не было, хотя в городе и был полупроводниковый завод. Только покупать или выменивать у других пацанов. Соответственно встала проблема, где взять деньги на радиодетали. Сначала на резисторы, конденсаторы и транзисторы П410А хватало сэкономленных на завтраках и выручки от т сдачи бутылок из-под кефира по 15 копеек за штуку. Но вот дошло дело до серьезных изделий - миниатюрных КПЕ с воздушным диэлектриком... Стоили они 3 руб. 50 коп. за штуку, а нужно таких было целых 4 штуки. Итого - 14 руб... огромные деньжищи... 1400 копеек - 140 сеансов в кинотеатре. Да и не одни конденсаторы были нужны, чтобы собрать компактную переносную радиостанцию... А жили мы практически в порту, на соседней улице и старшие ребята подсказали как заработать. Правда ждать пришлось 3 месяца, пока не исполнилось 14 лет. Вот тут и поперло... В грузовом порту, где стоял элеватор, на проходной по выходным выходил дядька и отбирал из желающих 8 пацанов. Мы сдавали ему Свидетельства о рождении и нас разбивали на две бригады по 4 человека. На пирс у элеватора швартовались две баржи с семечками, пшеницей, рожью, ячменем и прочими дарами сельских полей. Матросы вскрывали трюм, их на барже было 2, 3 или 4, а потом в дело вступали мы. На фотографии видны четыре вакуумных насоса, которые опускались в трюм и засасывали зерно по трубам в элеватор. По началу - легкотня... сиди себе, разглядывай облака на небе, но это было не надолго. Уже буквально через 15-20 минут нужно было хватать трубу насоса за две приваренные металлические скобы и таскать ее тяжеленную по всему трюму, чтобы подобрать все зерно. Но пакость была в том, что длина этих насосов была небольшая и по углам трюма они не доставали. Приходилось брать в руки метелочку и лопату и сгребать все зерно на середину трюма. Работали по 4 часа в день, дольше было запрещено использовать детский труд, на выходе, на проходной получали назад свои Свидетельства о рождении, в которых лежали заработанные денежки. Кому сколько - определял взрослый бригадир, работавший все время с нами. За раз можно было заработать 6-7 руб. Семечки стоили дешевле, пшеница дороже... была твердая ставка за одну выгруженную таким способом тонну. И деньги эти шли на радиодетали, а не на мороженное. На усилители для электрогитары, тиристоры для цветомузыки и прочее...