Найти в Дзене
Аудиосистема для дома своими руками (SE усилитель и акустика НОЭМА)

Аудиосистема для дома своими руками (SE усилитель и акустика НОЭМА)

Усилитель однотактный на 2-х лампах EL34 2*10w, колонки напольные с динамиками НОЭМА 100ГДШ65-8.
подборка · 8 материалов
101 читали · 1 месяц назад
Аудиосистема для дома своими руками
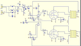
Часть 8 Цену самодельной акустики я написал в предыдущих частях. В этой части напишу, во сколько обошелся усилитель SE на лампах EL34, ECC83. На сегодняшний день усилитель работает, никаких настроек я не делал...
577 читали · 1 месяц назад
SE усилитель на радиолампе EL34 своими руками
Часть 7 как не уложиться в бюджет. Для тех, кто открыл статью на этой части, вам станет всё понятно, если ознакомитесь с предыдущими в этой подборке. Выбор трансформаторов и ламп. Изначально бюджет на...
506 читали · 1 месяц назад
Аудиосистема для дома своими руками (фильтр Чебышева).
Часть 6. Для акустики выбрал фильтр Чебышева. В предыдущих частях я написал подробно как собирал колонки и усилитель, какие материалы и за сколько приобрел. Цены декабрь 2025 - январь 2026 года. Катушки без сердечника все 4 штуки по 430 мкГн и 0,5 Ом...
248 читали · 2 месяца назад
Колонки с динамиками 100гдш65-8 своими руками
Часть 5. Продолжение темы аудиосистема за 27 т.р. своими руками. В процессе сборки колонок решил добавить ВЧ-динамики. На сегодняшний день колонки почти закончены, осталось дождаться конденсаторы для фильтров...
2 месяца назад
Напольная колонка из хвойного щита 18мм для динамика 100гдш65-8. Размер 25см *28.6см *93.6см. Склеены клеем Момент столяр, на саморезах только задняя крышка. Обработаны грунтовкой на два слоя. Затем внутри все стыки замазаны герметиком (покупать не пришлось, дома был). И обклеена виброизоляцией с весом 6 кг на 1метр кв.. Решил добавить высокочастотные динамики, бюджет уже превышен, а ещё не выбран трансформатор для питания усилителя. Покрывать колонку планирую маслом, цвет не выбрал как и марку самого масла. Итого склейка боковых стен, сохли сутки, затем приклеена верхняя и нижняя стенка ещё сохли сутки. Обработка в два слоя грунтовкой, снова сохли сутки. Затем швы герметиком, сох сутки. Обклейка виброизоляцией, опять высыхания сутки.
2 месяца назад
Однотактный ламповый усилитель DIY KIT 10 Вт x2 на EL34
Часть 3 (Аудиосистема своими руками) Набор для самостоятельной сборки из Китая. На удивление никакой, схемы и инструкции нет, за исключением размытой схемы в карточке товара где не читаются радиодетали...