VNC – технология дистанционного доступа к интерфейсу "Умного дома от Технологии пространства" на контроллере Segnetics с мобильного телефона
Триггеры в owenlogic, smlogix.
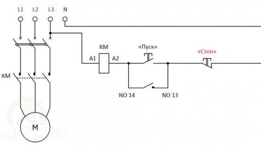
Триггер - ячейка оперативной памяти для булевой переменной. Простейшая аппаратная реализация - контактор с автоподхватом (тоже своего рода триггер). После нажатия кнопки пуск реле запоминает свое состояние (допконтактами реле катушка подключается к питанию). Для выключения необходимо нажать стоп (сброс триггера). Триггеры хорошо описаны в справке и в smlogix и в owenlogic В smlogix представлено три триггера: RS, D-триггер, ^D-триггер. Вход ресет имеет приоритет над остальными входами (в оwenlogic у SR-триггера приоритет S)...
Программирование segnetics. Счетчик моточасов. Пробный период. (Защита своего труда).
Может возникнуть необходимость учитывать время работы оборудования. Здесь имеет смысл уже использовать энергонезависимую память. Блоки в smlogix для этого есть. Суть идеи в следующем. Учет времени ведется, когда вход "включено" в состоянии "1", при этом нет команды обнулить (вход "сброс"). Импульс с генератора импульсов (построен на системных часах контроллера) поступает : 1. через and на триггер (на триггере "1" зависает до завершения цикла записи); 2. сумматор с предыдущим значением счетчика (через преобразование bool->long)...
Программирование segnetics. Преобразование bool->int.
В smlogix во вкладках есть целый раздел -преобразования типов. Для некоторых преобразований возможны коллизии при выходе за диапазон блока (Например,long->int число "123456" преобразуется в число "-7616", что не соответствует действительности, перед преобразованием исходное число можно ограничить блоком minmax. В справке smlogix это достаточно подробно описано) bool- >int наверно самое используемое преобразование...