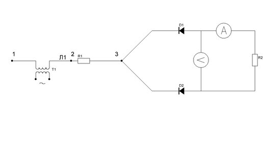
Получение СВОБОДНОЙ ЭНЕРГИИ с помощью БиДиодного выпрямителя по схеме Вилки Абраменко!
Возможно ли передавать электрический ток по одному проводу?
Описание нового принципа передачи электроэнергии по одному проводу открытого российским изобретателем С.В. Авраменко.
Эфиродинамика, Размышление ...
По следам реальных Эфиродинамических Измерений, или как найти "Демона Максвелла". (В дополнение к семинару МГУ по Времени им. Левича, проведенного 20.02.2024г. - Измерение "Странного излучения" на установках газового разряда измерителями серии "ИГЭД-2xx" - к конечным выводам по докладу). Презентация доклада семинара в PDF формате: - http://www.course-as.ru/AEM_GE/AEM_MeasRad-HVDU+Laser+H2O.pdf Последние измерения колебаний эфирной среды, проведенные на 15 этаже Склифа в рентгеновском кабинете...