Для булевой функции, заданной вектором значений, определить
Построение в среде программирования PC WorX функциональных блоковых диаграмм для логических функций в виде нормальных форм
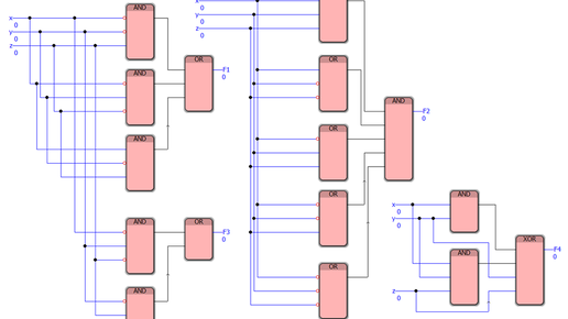
Для логических функций, заданных вектором значений, запишите СДНФ (СКНФ), определите сокращённую дизъюнктивную нормальную форму (сокр. ДНФ), а также полином Жегалкина (алгебраическая нормальная форма). Изобразите в среде программирования PC WorX функциональные блоковые диаграммы, соответствующие СДНФ, СКНФ, сокр. ДНФ и полиномe Жегалкина (алгебраическая нормальная форма) формулы F (сразу 4 на одной рабочей области). Составьте таблицы истинности и используйте их для проверки в режиме отладки составленные в среде программирования PC WorX функциональные блоковые диаграммы...
Все для решения задания 2 ЕГЭ по информатике | Теория, разбор заданий, подборка задач
Привет, меня зовут Елена и на канале TeachYou мы разбираемся, как решать задачи из ЕГЭ по информатике. Цель канала я вижу в том, чтобы собрать в одном месте теорию по заданиям базового и продвинутого уровня, а также разобрать типовые задания. Если вы дочитываете мои публикации до конца, то знаете, что я делаю подборки задач с разными формулировками, которые обязательно нужно прорешать до экзамена. Логические выражения Сегодня мы разберем мою любимую тему - алгебру логики (опять передаю привет преподавателю по дискретной математике...