Дымогенератор для холодного копчения купить
Дымогенератор своими руками (чертежи, спецификация). 1 часть
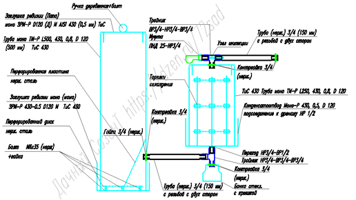
Кто следит за моими публикациями, знают про коптильную эпопею. Кому интересно, вся подборка тут. В этой статье решил посчитать, сколько будет стоить дымогенератор если собирать его самостоятельно. Забегая вперед скажу, что вся комплектация вышла 10067 рублей на 01.07. 2023 г. В общем, с такими ценами как сейчас, наверное, оптимально купить готовый дымогенератор. Так что, стоит ли собирать самому, или купить за эти деньги заводской – это решение каждого. Большинство деталей было закуплено давно, и решено довести дело до конца...
ТОП-10 дымогенераторов для авто на Алиэкспресс – рейтинг лучших
В современном мире автомобильная диагностика и обслуживание становятся все более сложными и высокотехнологичными. Одним из важнейших инструментов, который помогает специалистам в этой области, является дымогенератор. Этот прибор позволяет выявлять утечки в системах автомобиля, таких как впускной тракт, выхлопная система и другие. Правильный выбор дымогенератора может существенно упростить работу механика и повысить качество обслуживания. В данной статье мы представим рейтинг ТОП-10 лучших дымогенераторов для авто, а также расскажем, на какие характеристики стоит обратить внимание при выборе...