Аварии
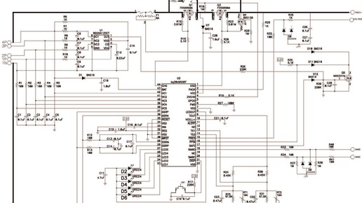
Ремонт Li-On батареи на примере BTY-L74.
Manufacturer Status FET1, FET0— Indicates the state of the charge and discharge FETs 0,0 = Both charge and discharge FETs are on. 0,1 = CHG FET is off, DSG FET is on. 1,0 = Both charge and discharge FETs are off. 1,1 = CHG FET is on, DSG FET is off. PF1, PF0— Indicates permanent failure cause when permanent failure is indicated by STATE3..STATE0 0,0 = Fuse is blown if enabled via DF:Configuration:Register(64):Permanent Fail Cfg 1..2(6..8) 0,1 = Cell imbalance failure 1,0 = Safety voltage failure 1,1 = FET failure STATE3, STATE2, STATE1, STATE0— Indicates the battery state...
Как на ИБП Powerman сбросить ошибку и скинуть коды F06, F02, F05, F04, F01
Подробный список всех быстрых методов как самому сбросить ошибку когда ИБП Powerman выдаёт код
F01, F05, F04 или F06, replace battery, F02 при включении или переходе
на батарею. И дополнительно пошаговая инструкция как можно легко скинуть
и устранить код любой ошибки бесперебойника Powerman после
скачка напряжения или выключения света какой ИБП показывает на дисплее
battery low, overload и исправить ошибку internal error/fault, battery
near end of life или удалить в программе. Коды ошибок и действия какими исправляют ошибки бесперебойника Powerman будут отличаться для каждой модели...