2204 читали · 4 года назад
Стабилизаторы. Компенсационные.
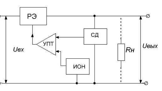
В прошлой статье я рассказал о принципе действия параметрических стабилизаторов. В этой статье я расскажу о более сложных но и более совершенных стабилизаторах компенсационного типа.