Генераторы тактовой частоты | Как работают, что умеют и как влияют на звук.
Старые журналы. "Радио" №1 за 1963 год. "Стабильный диапазонный генератор".
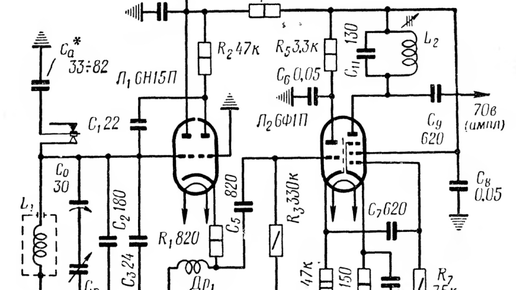
Проблема стабильности задающих генераторов появилась вместе с появлением супергетеродинов. И различным ухищрениям, позволяющим повысить стабильность частоты несть числа. Одна из схем стабильного генератора была помещена в журнале "Радио" №1 за 1963 год. Автором ее был инженер Александр Шадский (UA3BW). Задающий генератор собран на двойном триоде 6Н15П, а буферный каскад и усилитель - на триод-пентоде 6Ф1П. Как пишет автор, генератор собран по схеме с отрицательным сопротивлением, и его можно представить как несимметричный мультивибратор, в одно плечо которого включен колебательный контур...
⚡ Как правильно выбрать генератор: считаем нагрузку без ошибок
Покупка генератора — это не просто «взять модель с запасом по мощности». Если хотите, чтобы всё работало стабильно, нужно понимать какие устройства он будет питать и как они влияют на работу генератора. Многие считают: если у вас приборов на 120 кВт — берите генератор на 130 кВт. Это ошибка. Дело в том, что: Создают искажения тока и могут перегреть генератор
💡 Решение: фильтры, стабилизаторы, правильная разводка Могут отключить генератор из-за пиковых токов
💡 Решение:...