Как проверить генератор на машине. Основные неисправности. Просто о сложном
Как достичь сверхнизкого энергопотребления?
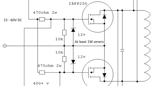
Автономно действующий преобразователь постоянного сверхнизкого напряжения – устройство из серии современной электроники. Такая схема способна работать при напряжении питания до 10 мВ. Между тем основой схемы здесь является так называемый генератор Ройера, поддерживающий переключение при нулевом напряжении. Генератор соответствующим образом модифицирован применением переходных полевых транзисторов (JFET - Junction Field Effect Transistor) для работы при низких напряжениях. Принцип получения энергии...