Военный танталовый конденсатор Что о нем нужно знать и его секреты.
Что такое активное и реактивное сопротивление. Ёмкостное сопротивление.
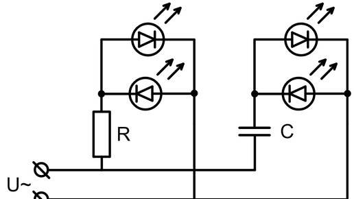
Изучать электротехнику всегда лучше на конкретных примерах. Соберем схему состоящую из резистора, двух светодиодов и подадим на нее переменное напряжение. Если в эту цепь вместо светодиодов подключить амперметр и построить график изменения тока в зависимости от напряжения с выхода источника переменного тока, то они будут совпадать по времени Активным называют сопротивление участка, если оно уменьшает ток в цепи, препятствует движению зарядов и одновременно отбирает у них часть мощности. Понятие "активное...
Конденсатор в цепи переменного тока. Емкостное сопротивление.
Для школьников. Кроме активного сопротивления, в цепях переменного тока возможно существование емкостного и индуктивного сопротивлений. Про индуктивное сопротивление будет говориться в следующей статье, а сейчас речь пойдёт об емкостном сопротивлении. Рассмотрим опыты, позволяющие увидеть существование емкостного сопротивления. Две маленькие одинаковые электрические лампочки подключались к источникам одинакового напряжения. Но одна (правая) подключалась к источнику постоянного тока (аккумуляторной батарее), а другая (левая) - к источнику переменного тока...
Принцип снижения напряжения предохранительного конденсатора
Принцип снижения напряжения предохранительного конденсатора в основном использует емкостное реактивное сопротивление, генерируемое конденсатором при определенной частоте сигнала переменного тока, для ограничения максимального рабочего тока. В частности, когда на конденсатор подается переменное напряжение, конденсатор создает препятствие, которое называется емкостным реактивным сопротивлением. Величина емкостного реактивного сопротивления связана с частотой переменного тока и емкостью конденсатора...