Как просто определить начало и конец обмоток трехфазного двигателя.
ТЕМА 1. ДВИГАТЕЛИ ПОСТОЯННОГО ТОКА. ВОЗБУЖДЕНИЕ ДПТ (ПРОДОЛЖЕНИЕ 4)
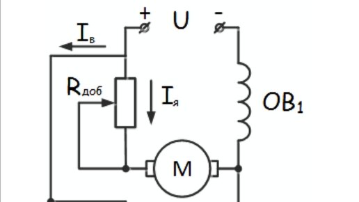
Благодаря тому, что двигатель постоянного тока имеет в своей конструкции обмотку возбуждения можно применять разные схемы ее подключения. В зависимости от способа питания обмотки возбуждения, ДПТ делятся на 2 вида: 1) ДПТ с независимым возбуждением; 2) ДПТ с самовозбуждением, куда входят следующие схемы возбуждения: - последовательное; - параллельное; - смешанное. 1 ДПТ с независимым возбуждением Независимое возбуждение ДПТ, как правило применяется в ДПТ большой мощности. В случае независимого...
О синхронных двигателях простым языком
Благодаря техническому прогрессу на современных производствах внедряются новые виды электропривода. Например, асинхронные двигатели с КЗ ротором с частотным преобразователем постепенно заменяют АДФР и ДПТ...