Как выбрать микроконтроллер для робота. Виды и характеристики микроконтроллеров. Четвертый шаг в робототехнику.
Микроконтроллеры для начитающих. Часть 4. Очень кратко о микропрограммах.
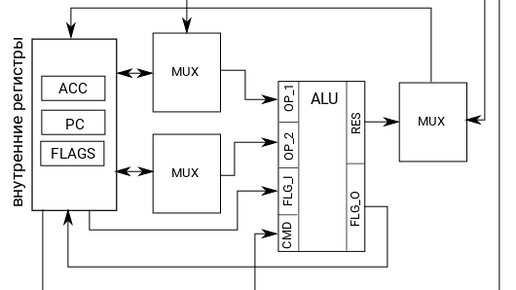
Это четвертая статья цикла. Предыдущую можно прочитать здесь. Статья будет относительно короткая, так как носит факультативный, то есть не обязательный для изучения, характер. Но она полезна для формирования более полной общей картины устройства процессоров. Ранее рассмотренная модель абстрактного процессора была построена на жесткой логике. При некотором желании такой процессор можно собрать, да и собирали в свое время такие, даже на 155 серии ТТЛ микросхем. Такой процессор будет хорошо и довольно быстро работать если набор команд относительно прост и регулярен...
Микроконтроллеры для начинающих. Часть 18. Еще раз о циклах, тактах, конвейерах и о том, "что у куколки внутри"
"Внутренний мир" процессоров микроконтроллеров я кратко уже рассматривал ранее а паре статей. И рассматривал, в том числе, тему синхронизации работы узлов процессора, что вносит коррективы в построение процессора. И вот в комментариях к третьей части возникла довольно интересная дискуссия на тему схем тактирования. Если честно, изначально я не планировал сильно углубляться в этот вопрос, целью была полнота общей картины устройства и работы микроконтроллеров. Но раз вопрос вызвал интерес, давайте поговорим немного подробнее...