Корректоры коэффициента мощности. Pfc. (ч.1)
Корректор коэффициента мощности: назад к пассивным ККМ! Часть 11.
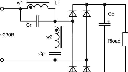
В предыдущих статьях (части 9 и 10) был представлен авторский вариант активного корректора коэффициента мощности для сварочного инвертора. Но для какого, собственно говоря, инвертора? Стало понятно, что исходное "техзадание" было сформулировано не совсем корректно, не достаточно конкретно в части назначения предлагаемого активного ККМ. Фактически, предлагаемый АККМ может быть применен только во вновь разрабатываемом, изготавливаемом "с нуля" сварочном инверторе. Применить указанный АККМ в уже готовом,...
Корректор коэффициента мощности блока питания APFC — что это и зачем он нужен
Подбирая современный блок питания для настольного ПК, пользователь сталкивается с понятием корректора коэффициента мощности. В английской интерпретации это понятие звучит как Power Factor Corrector (PFC)...