Учимся паять. Урок по пайке. Как выпаять микросхему? How To Desolder Electronic Parts
Конструктор (DIY Kit) генератор сигналов на NE555
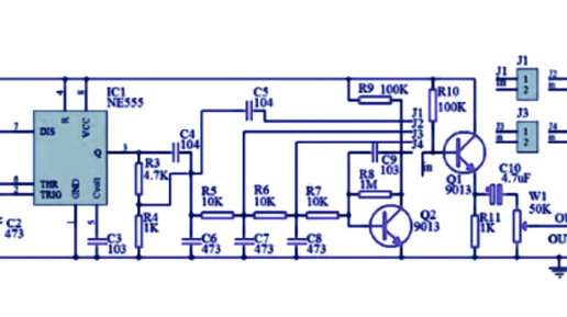
Мы продолжаем рубрику конструкторы для самостоятельной сборки и в этот раз у нас очередной конструктор для самосборки: "генератор сигналов на NE555" Китайское название (для поиска на AliExpress): "Модуль генератора импульсов NE555 синусоидальный/треугольный/квадратный генератор волн многоканальный генератор сигналов DIY Kit" А по нашему, по-русски еще называют: "Функциональный генератор". Покупал на AliExpress тут (для примера, а не для покупки). Сердцем платы является микросхема NE555 поэтому сначала поговорим о этой микросхеме, а уж затем перейдём к самой плате...