как зделать лего динозавра из 10 деталей лего!
как зделать простейший радиоприемник
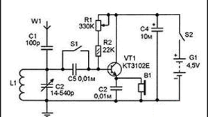
Представленная схема простейшего радиоприемника собиралась многими начинающими радиолюбителями. Принцип действия такого приемника основан на преобразовании радиоволн в электрические сигналы. Эти электрические сигналы улавливаются радиоприемником и далее преобразуются в звуковые...
Гайд - как сделать самому крутые самоделки? Своими руками облегчаем столярное дело! Как зделать?
Представляю вашему вниманию гайд о том, как сделать самому крутые самоделки, которые помогут в работе? Своими руками - креативные идеи, станки, насадки и инструменты, которые облегчаем столярное дело!...