СИМИСТОР — что это такое и как работает? Самое понятное объяснение!
Что такое симистор? Подробное описание структуры, принципа работы, ВАХ полупроводника
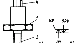
Симисторы – это приборы, которые являются полупроводниковыми компонентами (по терминологии США, они называются триаки), выполняющие ключевую роль по проведению тока в оба направления. Прежде всего, симистор – это ключ-регулятор, используемый для цепей постоянного тока, он также выполняет функцию двунаправленного транзистора. Элемент состоит из двух основных силовых электродов – это электрод, находящийся со стороны управляющего электрода и СЭ –электрод со стороны основания элемента. Свое название...
Что такое симистор и как его проверить мультиметром. Ремонтируем сигнальную лампу DOORHAN
Давайте посмотрим зачем нужен симистор на примере ремонта сигнальной лампы DOORHAN, а заодно расскажу как его проверить мультиметром. Полагаю, что данный материал кому-то просто пригодится, чтобы починить лампу за копейки, а не покупать новую. Для начала, давайте выясним что вообще заставляет мигать обычную лампочку в сигнальной лампе DOORHAN. Внутри можно увидеть плату с маркировкой YZ-374, где за это самое "мигание" отвечает микросхема-таймер HA17555. Именно она формирует импульсы с заданным промежутком...