Как поменять курсор мыши в Windows 10
ЮТ/88. Мигающий курсор.
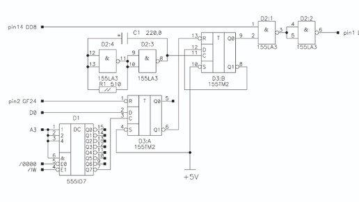
Всех приветствую! Практически на всех компьютерах используется мигающий курсор: будь то черта или прямоугольник. И мы уже привыкли к этому. Тем более, что что-то динамическое на экране найти проще, чем статическое. И я решил немного доработать узел видеовыхода на ЮТ/88. Делается это несложно. Необходимо разорвать цепь между выв.1 DD9.1 и остальными, собрать вот такой несложный узел, который включается в этот разрыв. В результате мы получим симпатичный мигающий курсор с частотой 2-3 Гц, который, на мой взгляд, приятней выглядит, чем статичный прямоугольник...
Почему мигает курсор при вводе текста ?
Забытая история анимации, которая более полувека помогает пользователям писать быстрее: начиналось с моряка и Apple, а сегодня она есть почти во всех программах, сервисах, соцсетях — и в дополненной реальности...