06:44
1,0×
00:00/06:44
847,4 тыс смотрели · 4 года назад
294 читали · 2 недели назад
Как спаять провода без паяльника, соединить «несоединимое» и не бояться мелких плат: 3 «партизанских» метода от старого радиолюбителя
Паяльник в хозяйстве — вещь незаменимая. Но большинство использует его по старинке: макнул в канифоль, ткнул в припой, приложил к проводу. А ведь этот простой инструмент, как хороший топор, в умелых руках способен на настоящие чудеса. Сегодня я поделюсь несколькими не самыми очевидными приемами, которые серьезно расширят ваши возможности. Казалось бы, что сложного в том, чтобы припаять проводок к печатной плате? Но кто паял, тот знает: даже если провод залужен, соединение часто получается «холодным» и ненадежным...
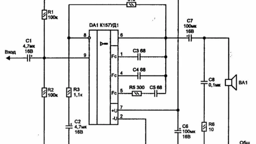
Как спаять Усилитель на микросхеме К157УД1
Захотелось мне неожиданно спаять простой и громкий усилитель из старых, еще советских, журналов. Так как в Интернете схем их ЮТ и Радио завались и их делаю все, то выбор пал на этот журнал .... В котором и была показана схема аналогичная той, что на заставке. Схема довольно проста, кроме микросхемы К157УД1 она содержит шесть резисторов и восемь конденсаторов (я сам их подсчитал!). Но паять микросхему на столе или фанерке очень неудобно, так, что я решил подумать про печатную плату, тем более, что...