647 читали · 6 лет назад
Все этапы создания робота для следования по линии, или как собрать все грабли с STM32
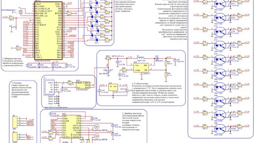
В этой публикации речь пойдет про мой опыт создания робота для соревнований, а именно следование по линии. Постараюсь рассказать все этапы от проектирования схемотехники и заказа печатной платы до алгоритма и программы. Гонка роботов по линии уже давно стала базовым испытанием для начинающих робототехников. Практически все региональный и международных соревнования включают это направление, поэтому сделав одного робота вы сможете участвовать практически везде. На первом курсе университета это было следующее задание после первого мигания светодиодом...
1 год назад
Японский робот сумо
Роботы, сражающиеся друг с другом на аренах, становятся популярным видом спорта; посмотрите хотя бы на «Битвы роботов». В Японии такие соревнования часто проводятся на небольших сумо-рингах, и роботы должны двигаться невероятно быстро, чтобы одержать победу. Роберт МакГрегор собрал самые быстрые и жестокие кадры в этом видео... и ни один из них не был ускорен...
8 лет назад
Подборка нокаутов в Сумо. Ну очень большие мужики!
YouTube канал "Sad and Funny" опубликовал видео о yjrfenf[ d cevj/ Сумо - это специфическая борьба. Как же можно там нокаутировать? Когда несутся, на встречу друг другу, два тяжелых бойца, то удар, при столкновении достигает свыше одной тонны...