Основные элементы технологических схем
Что такое технологическая схема
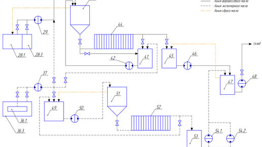
Недавно я привёл небольшой пример части технологической схемы завода по производству масла. Но потом подумал, что многие вообще могут не знать, что такое технологическая схема. Поэтому решил посвятить этому отдельную статью. Технологическая схема - это графический технологический документ, который отдельно или совместно с другими технологическими документами описывает технологический процесс или составную часть процесса. Технологическая схема производства отображает взаимосвязь между отдельными...
Билет №2
1. Начертить технологическую схему узла переключения? 2. Что содержит первый (основной) фрагмент? Первый (основной) фрагмент содержит графические и текстовые элементы, соответствующие: 3. Принцип действия обратного клапана. Назначение обратного клапана? 4. Давление – определение. Виды давлений. Единицы измерений? В других системах единиц применяются также следующие единицы измерения давления: Виды давлений: 5. Назовите классы магистральных газопроводов от рабочего давления? Магистральные газопроводы в зависимости от рабочего давления в трубопроводе подразделяются на два класса: Кроме того, в зависимости...